At89c2051 Programming Software

A simple programmer for the Atmel AT89c2051 microcontrollers. Complete PCB, schematics, description, and controlling software for DOS. I revived my old programmer for the AT 89 C 2051 when a colleague asked help to program a device that requires this MCU. I made this programmer on a single sided PCB only with.
I send with emissions class QTX radio code. Adriana antoni iubirea mea download zippy zapa.
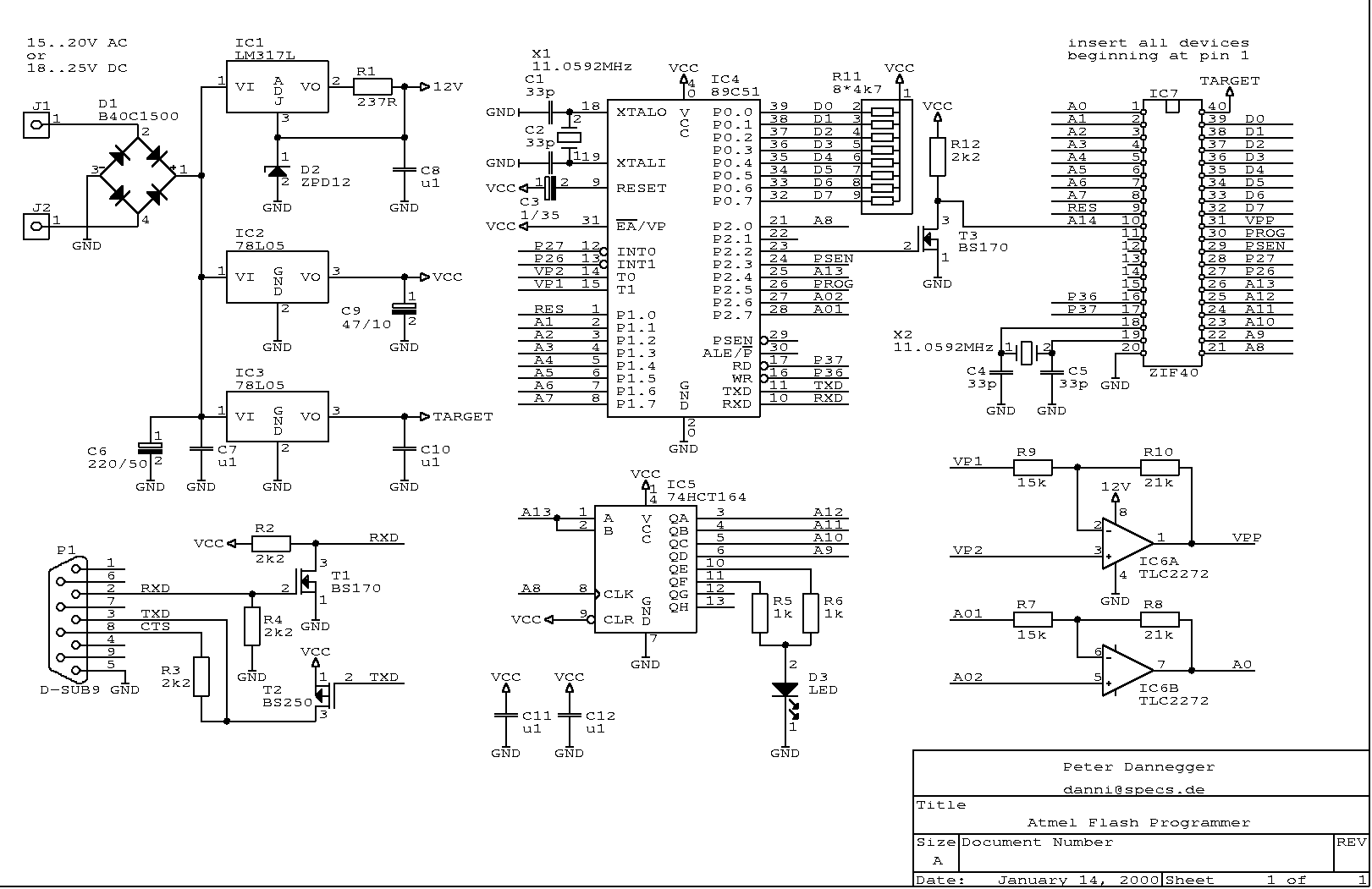
USB Flash Programmer for Atmel AT89C2051 controllers Last update: Tue 16 Aug 2016 04:39:55 PM CEST • • I developed an USB programmer for Atmel AT89C2051/4051 controller as part of my lab project in the summer of 2005. As I think the project could also be interesting for other students or engineers I put all things together on this page. You find schematics, board layout files, firmware source code of the main controller (AT89C5131), a simple Windows application and further documentation on this page. Please note that some documents are still only available in the German language. Requirements and features: • This project aimed to create an USB programmer for Atmel microcontrollers AT89C2051/4051.
The device should be able to program the flash memory of small C2051 and C4051 devices. There should also be a verify mechanism to make sure the written data was correct. • The USB programmer comes with two Windows applications to start and control the upload of new programs: A graphical version (GUI application) and a simple console application for automatic flashing to be called directly from inside an editor or IDE development tool. • The Atmel AT89C5131 controller is the heart of the USB programmer. It contains a micro-program to control the entire USB communication and flashing process.

• The circuit has low power consumption and does not require an additional power supply, it just used the 5V of the USB host. • Both Intel hex files and binary images (RAW files) are supported. The images below illustrate the circuit, configuration and show the resulting programmer. Downloads: • with Hardware and development instructions) (Acrobat-PDF-Format, German language 1,71 MB) • a) Firmware (SDCC), b) Windows GUI (VISUAL C), c) Windows Konsole (VISUAL C) • for Windows XP (ATMUSB.SYS) Notes: The numbering of the components in the assembly diagram (Figure 4-4) does not match the wiring diagram (Figure 4-2) in the documentation above 'usb_programmer_doku.pdf'. But a fixed version from H. Gresch (thank you!) is available. The update can be downloaded using the links below: • - Update and fix of the components list (Acrobat-PDF, 133 KB) • - Sprint-Layout file (version 3) for editing the layout (189 KB) Useful links: • • • • • • • • • Do you have any suggestions or feedback about this USB programmer?
Feel free to write any comments. Download pes 2010 full crack for pc.